◆ Można wybrać różne sygnały wyjściowe;
◆ Ochrona przeciw zakłóceniom i nadwyżkom;
◆ Wysoka precyzja, dobra niezawodność, chipy niemieckie;
◆ diafragma izolacyjna ze stali nierdzewnej 316L, zintegrowana konstrukcja;
◆ Bezpieczeństwo wewnętrzne, zgodne z wymogami pkt ExiaII.CT6 normy GB3836.4
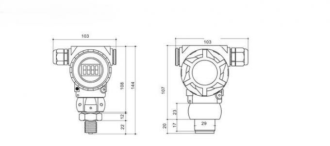
Przegląd produktu:
AMP51Aprzemysłowy nadajnik ciśnienia to produkt pomiarowy ciśnienia o wysokiej precyzji i wysokiej stabilności, niezależnie zaprojektowany i wyprodukowany przez naszą firmę.Produkt wykorzystuje krzemowy czujnik piezoresystywny z diafragmą izolacyjną ze stali nierdzewnej, z specjalnym obwodem cyfrowym i wytwarza zintegrowany produkt sygnału standardowego przemysłowego poprzez wzmacnianie sygnału, kompensację liniową, przeciwdziałanie zakłóceniom,ochrona przed przewyższeniami i inne przetwarzanie sygnałów.
Zastosowania produktu:
◆ przemysł petrochemiczny
◆ Elektryczność metalurgiczna
◆ Technologia pomiarowa i sterowania
◆ Pola hydrauliczne i pneumatyczne








