![]()
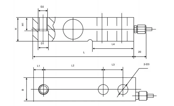
Rysunek wielkości produktu

| pojemność | L | L1 | L2 | L3 | L4 | H/B | H1 | D | D2 | D3 |
| 0.5T~3T | 130 | 12.7 | 76.2 | 25.4 | 57 | 31.8 | 15.9 | Φ18 | M16*1.75 | Φ18 |
| 3T ~ 5T | 171.5 | 19 | 95.3 | 38.1 | 72.5 | 38.1 | 26 | Φ20 | M20*1.5 | Φ20 |
| 7.5T ~ 10T | 222.5 | 25.3 | 124 | 50.8 | 10.2 | 50.8 | 25.4 | Φ27 | M24*2 | Φ27 |
Wykaz parametrów produktu
| pojemność | T | 0.5 ~ 10T |
| Wydajność nominalna | mv/v | 20,0/3,0±0.2 |
| Nieliniowość | % F.S. | 0.03 |
| Hysteresa | % F.S. | 0.03 |
| Powtarzalność | % F.S. | 0.03 |
| Wyrzutek. | % F.S/3min | 0.03 |
| Wpływ temperatury na zero | % F.S/10oC | 0.03 |
| Wpływ temperatury na przedział | % F.S/10oC | 0.03 |
| Pozostałość zerowa | mv/v | ± 0.03 |
| Impedancja wejściowa | Ω | 380±20 |
| Impedancja wyjściowa | Ω | 352±5 |
| Odporność izolacyjna | MΩ | ≥ 5000(100VDC) |
| Zalecane napięcie pobudzenia | VDC | 5 ~ 12 |
| Dopuszczalne napięcie podniecające | VDC | 5 ~ 15 |
| Kompensowany zakres temperatury | oC | -10oC~ +40oC |
| Temperatura pracy.Range | oC | -20oC~ + 60oC |
| Bezpieczne przeciążenie | % F.S. | 120 |
| Ostateczne przeciążenie | % F.S. | 150 |
| Połączenie | Czerwony: + Czarny:- | |
| /Sygnał: Zielony: + Biały:- | ||
Informacje o spółce
![]()
Ruijia jest przedsiębiorstwem świadczącym usługi techniczne specjalizującym się w badaniach technologii pomiaru siły, produkcie badawczo-rozwojowym, produkcji, sprzedaży i usługach.z wyższej precyzji ogniw obciążeniowych, czujniki typu S, czujniki dźwignowe, wielowymiarowe czujniki siły, czujniki napięcia, nadajniki B+R i produkcja instrumentów sterowania oraz dostarczanie rozwiązań inżynieryjnych do sterowania systemami.Firma posiada nowoczesne i przestronne warsztaty, wysokiej jakości urządzenia produkcyjne i testowe, profesjonalny zespół badawczo-rozwojowy i doskonały system zarządzania, aby zapewnić rozsądne i praktyczne rozwiązania dla naszych klientów.Z wieloletnim doświadczeniem w dziedzinie automatyki, firma zawsze przestrzegała koncepcji działania przedsiębiorstwa "użytkownik pierwszy", zbudowała profesjonalny zespół w dziedzinie automatyki,i dostarczał klientom produkty o stabilnej jakości oraz produkty przedsprzedażowe i posprzedażoweusługi techniczne.Zawsze przestrzegamy zasady niezależnej innowacji, tylko dobrych produktów i naukowego zarządzania, i zawsze przestrzegamy zapewnienia doskonałych produktów i rozwiązań systemowych,który jest bardzo szanowany w naszej dziedzinie.;Nieustannie się zmieniać i świadczyć klientom doskonałe usługi o wartości dodanej.